泰兴市航宇电连接器有限公司 设为首页|加入收藏  
普通圆形电连接器
Y2系列圆形电连接器
YP系列圆形电连接器
LYP系列圆形电连接器
Y4系列圆形电连接器
XS系列普通圆形电连接器
矩形电连接器
J14A C D系列矩形电连接器
J14B系列矩形电连接器
YFI系列圆形分离脱落电连接器
YF6型圆形防雨分离电连接器
JF2-126芯脱落电连接器
JF3-256脱落电连接器
JF5型脱落电连接器
军品圆形系列
Y50系列圆形电连接器
Y50DX系列
Y50EX系列
Y11系列电连接器
Y17系列电连接器
Y27系列圆形电连接器
YGD系列圆形电连接器
XC及其派生系列圆形电连接器
XCA系列电连接器
XCM系列电连接器
CXCH系列电连接器
CXCH-01系列电连接器
XCD系列电连接器
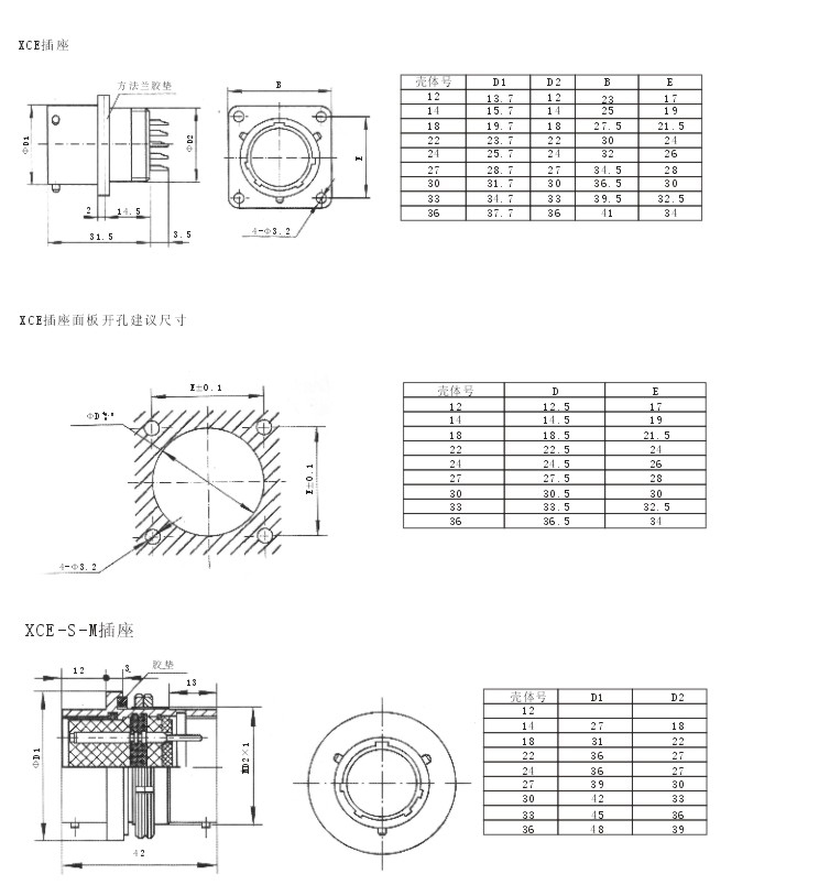
XCE系列电连接器
XCF系列电连接器
XCG系列电连接器
XC系列及附件
玻璃烧结系列
YW系列圆形网口连接器
YMA圆形防水电连接器
YMG圆形防水电连接器
XCE系列电连接器

返回上一级】 
点击这里给我发消息
点击这里给我发消息
销售热线:
15961000501
网站首页 | 公司简介 | 新闻动态 | 产品展示 | 销售网络 | 人才招聘 | 在线留言 | 联系我们
Copyright @ 泰兴市航宇接插件有限公司 All rights reserved. 地址:江苏省泰兴市蒋华北泰常路东 站点HTML 站点XML 苏ICP备16035578号-8
手机:15961000501 电话:0523-87410818 传真:0523-87411222 热门搜索:电连接器 航空插头  技术支持:乐艺科技